Trim Parameters
Architectural
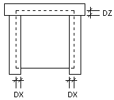
The figure below shows some trim parameters. The parameters are variable dimensions of trims. In order to determine a parameter for the trim, you will first need to define a variable dimension with the same name.
| LENGTH | nominal length |
| WIDTH | |
| DEPTH |
Top or bottom trims:
| OVL_LEFT | left overhang |
| OVL_RIGHT | right overhang |
Side trims:
| OVL_SILL | bottom overhang |
| OVL_TOP | top overhang (0 in the figure) |
When determining the variable LENGTH dimension, you need to take into account the location of the origin. The location of the origin should be as follows for the various trim types:
- right side trim - lower right corner of the assumed opening
- left side trim - can be added by mirroring the right side trim
- top trim - upper left corner of the assumed opening
- bottom trim - lower left corner of the assumed opening
Determine the LENGTH dimension as variable with the fixed point in the origin.
In order for the end of the trim to be edited using the Trim an End of a Trim function, the trim must have an angle parameter.
![]() |
Top or bottom trims ANG_L = left angle ANG_R = right angle Side trims: ANG_T = top angle ANG_S = bottom angle |
In addition, you can determine the DX, DY or DZ parameter for the trim, which will determine the distance of the reference point from the edge of the opening.


