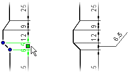
Move a Dimension to a Reference Line
You can move a dimension to a reference line by clicking reference line points.

- Select a dimension.
- Activate the dimension grip point.
- Right-click to open the context-sensitive menu.
- Select Add Leader Line.
- Click the reference line points.
- Select Confirm.
You can edit the reference line of the text by using its grip point.
