Aukon kaaviotunnus seinäelementtikuvaan
Framer
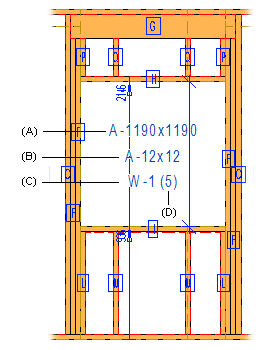
Voit lisätä ikkunan tai oven aukkokaaviotunnuksen seinäelementtikuvaan. Aukkokaaviotunnuksen muoto määritetään järjestelmän asetuksissa avainsanalla op_label_format, esimerkiksi:
- op_label_format
- "#CODE#|#IDLABEL# (#LABEL_IND#)"
#CODE# on aukon koodi kirjastossa (A)
#LABEL# on aukon tunnus kirjastossa (B)
#IDLABEL# on aukkokaaviotunnus (C)
#LABEL_IND# on aukkokaavion yksilöivä tunnus (D)
Pystyviiva tuottaa rivinvaihdon elementtikuvaan.

Huomaa:
- Päivitä elementtikuvat, kun olet lisännyt aukkokaaviotunnukset.
