Aumaristikot: porrastetut kolmioristikot
Framer
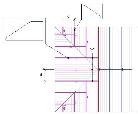
Toiminnolla luodaan aumakaton päätyyn ristikot siten, että pääaumaristikot ovat porrastettuja kolmioristikoita. Sivuille lisätään kolmioristikot. Mikäli päätyyn on jo aiemmin lisätty ristikot, ohjelma poistaa vanhat ristikot päätyalueelta. Kun päätyräystäs on osoitettu, valitaan ristikoiden parametrit keskusteluikkunassa.
Huomaa: Ristikkoalueen päässä tulee olla kantava rakenne. Tämä voi olla joko alapuolelta rajoittavaksi rakenteeksi
valittu yläpohja, tai kantavaksi seinäksi valittu päätyseinä.
- Valitse Mallinnus | Elementti |
Ristikko
Aumaristikot
Porrastetut
kolmioristikot. - Valitse ristikkoalue osoittamalla yhtä alueeseen kuuluvaa ristikkoa.
- Valitse aumapääty.
- Valitse ristikoiden parametrit keskusteluikkunassa.
- Hyväksy OK-painikkeella.
- Valitse seuraava aumapääty.
Aumapäädyn ristikoiden parametrit
- Täydet kolmioristikot
- Täydet kolmioristikot (A) ulottuvat ensimmäiseen pääristikkoon asti. Kirjoita lukumäärä tekstikenttään.
- Sivuristikoiden jako
- Kirjoita jako (d) tekstikenttään.

