Log-poikkileikkauskirjasto
Muokkaa poikkileikkauskirjastoa tietokantanäytössä. Voit lisätä kirjastoon uuden poikkileikkauksen kopioimalla ja muokkaamalla olemassa olevan poikkileikkauksen tietoja. Vie kohdistin kopioitavalle riville, ja valitse tietokantanäytön valikkoriviltä Muokkaa > Kopioi rivi. Ohjelma lisää tietokantaan uuden rivin, ja kopioi koodia lukuunottamatta kenttien sisällön valitsemaltasi riviltä uudelle riville. Nimeä poikkileikkaus ja täytä muut tietokantanäytön sivuilla olevat parametrit.
Sivu 1
- Koodi
- Anna poikkileikkauksen nimi Koodi-kenttään.
- Tyyppi
- Valitse tyyppi listalta.
- Poikkileikkaus, Tarkka
- Poikkileikkauksen muoto määritetään sovelluskehitinohjelmalla. Kirjoita kenttään sovelluskehitinohjelman nimi. Ohjelman tulee sijaita hakemistossa ../proflibrary/log. Ohjelmistotoimittajan tarjoamat sovelluskehitinohjelmat ovat:
- Poikkileikkaus, Karkea
- Poikkileikkauksen karkea muoto määritetään aina sovelluskehitinohjelmalla COARSELOG. Ohjelman tulee sijaita hakemistossa ../proflibrary/log.
- Nurkan pituus
- Kirjoita kenttään hirsiseinän nurkan pituus. Hirsiseinää lisättäessä parametrin arvo asetetaan nurkan oletuspituudeksi, kun kyseinen profiili valitaan hirreksi. Valitse ensimmäisestä luettelosta reuna, joka määrää nurkan pituuden vinossa nurkassa. Valitse luettelosta mittaustavaksi jokin seuraavista:
- Materiaali
- Ominaisuus ei ole käytössä hirsipoikkileikkauskirjastossa.
- 3D-ohjelma
- Ominaisuus ei ole käytössä hirsipoikkileikkauskirjastossa.
Sivu 2
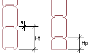
- Hirren mitat
- Anna hirsipoikkileikkauksen mitat kenttiin Leveys, Korkeus ja Nousu.
- Salvos
- Salvoksen leveys on oletusarvoisesti hirren leveys. Tarvittaessa voit antaa salvoksen leveydelle hirren leveyttä pienemmän tai suuremman arvon. Kun kenttä on tyhjä, käytetään oletusarvoa.
- Alimman hirren korkeus
- Anna alimman hirren korkeudet kenttiin Täysi ja Puolikas. Alimman hirren korkeus Täysi voi olla pienempi kuin hirren Korkeus.
- Hirsiaihio
- Anna raakakappaleen mitat kenttiin Leveys ja Korkeus.
Sivu 3
Sivulla 3 olevat poikkileikkauksen ominaisuudet eivät ole käytössä hirsipoikkileikkauskirjastossa.

Jos tyyppiä ei ole valittu, se
määräytyy koodin mukaan:


