Optiojärjestelmä - Yksi oletusmittaviivaryhmä
Optiojärjestelmä
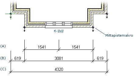
Oletusmittaviivaryhmä muodostuu, kun lisäät pohjakuvaan mittapistemakrot, joilla on oletusominaisuudet. Valitse mittapistemakrojen paikat pohjakuvassa.

Oletusmittaviivaryhmä sisältää kolme mittaviivaa, jotka ohjelma lisää pohjakuvaan, kun ratkaiset optiot.
- A - Jonomitta, joka mitoittaa mittapistemakroja lähinnä olevien aukkojen keskipisteiden etäisyydet mittapistemakroista. Mittaviivan päätepisteinä ovat reunimmaisia aukkoja lähinnä olevat mittapistemakrot.
- B - Jonomitta, joka mitoittaa mittapistemakrojen väliset etäisyydet.
- C - Kahden pisteen välinen kokonaismitta äärimmäisten mittapistemakrojen välille.
Mittojen ominaisuudet ja sijoittuminen pohjakuvaan on määritetty järjestelmän asetuksissa:
- Mittatekstien ominaisuudet (taso, fontti, väri, tekstin korkeus jne.) on määritetty GEOMPROP-avainsanaryhmässä tekstin nimillä autodim.points (mittapistemakrojen mitoitus), autodim.openings (aukkojen mitoitus) ja autodim.overall (kokonaismitta).
- Mittaviivojen etäisyydet rakennuksesta ja toisistaan sekä mittaviivojen esitystapa on määritetty BDSAUTODIM-avainsanaryhmässä.
Huomaa:
- Ennen optioratkaisua voit testata oletusmittaviivaryhmää toiminnolla Testaa automaattimitoitusta.
- Optioratkaisun yhteydessä ohjelma lisää mittaviivat pohjakuvaan ja luo niistä geometriaryhmän.
