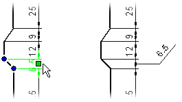
Moving a Dimension to a Reference Line
You can move a dimension to a reference line by clicking the reference line points.

- Select the dimension.
- Activate the dimension handle.
- Select the context-sensitive menu function Add Leader Line.
- Click the reference line points.
- Accept the dimension position with the middle mouse button.
You can edit the reference line of the dimension by using its handles.
