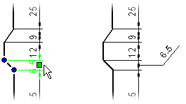
Siirrä mittaluku viiteviivalle

Voit siirtää mittaluvun viiteviivalle osoittamalla viiteviivan pisteet.

  1. Valitse mitta.
  2. Aktivoi mittaluvun kahva.
  3. Avaa tilannekohtainen valikko hiiren oikealla painikkeella.
  4. Valitse Lisää viiteviiva.
  5. Osoita viiteviivan pisteet.
  6. Valitse toiminto Valmis.

Voit muokata mitan viiteviivaa kahvoistaan.