Edit Flattening Lines
Sheet-Metal Design
General
- With the keywords related to the sheet metal flattening, you can modify the properties of the lines and whether the line is drawn or not.
- For example you can transfer only the flattening's edge lines from a drawing to a DXF file for a laser cutter.
- The keywords are in the Bend keyword group in the administrator’s view.
The general parameters of the keyword group follow the general parameters of lines.
- Layer
- Line Width
- Line type
- Scale
- Color
Adjust the settings
- Note that these settings apply to all workstations that use Vertex G4 on the same server .
- File >
System Preferences >
Edit. - Select
Administrator's View. - Select Vertex Settings > Bend.
- Select a keyword.
- Change the value.
- Select OK.
- The setting takes effect when you restart Vertex.

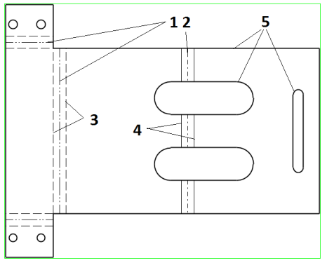
- The numbers in the image refer to the lines shown in the table.
| Number in picture | Keyword | Effect range | Value |
| 5 | NormalGeomLine | Flattening's edge lines | |
| 1 | BendLine | Bending lines, if bending towards the viewer | |
| 2 | BendLine2 | Bending lines, if bending away from the viewer | |
| 3 | BendAreaLine | Bending area edge lines, if bending towards the viewer | If you want to hide the lines, set: Layer = 110 |
| 4 | BendAreaLine2 | Bending area edge lines, if bending away from the viewer | |
| DrawBendAreaLine | Drawing of bending area edge lines | 0 = Not displayed (default) 1 = Are displayed |
|
| FormingFeatDown | Shaping feature's geometry lines | Display the Forming Feature Side in a Flattened Drawing | |
| FormingFeatUp | Shaping feature's geometry lines | Display the Forming Feature Side in a Flattened Drawing |
Examples
Bendline 3 0.25 3 3 0
- The bend line is drawn on layer 3.
- The line width is 0.25
- The line type is 3 (dot-dashed line).
- The line gap is 3 (gap indicates the width of a 2-dimensional line, but it has no meaning for a dotted line).
- The color is 0 (refers to pen(0) in the G4 user/pmap file, which is a black color).
BendAreaLine 3 0.25 1 3 0
- The bend line is drawn on layer 3.
- The line width is 0.25
- The line font is 1 (continuous line).
- The line gap is 3 (gap indicates the width of a 2-dimensional line, but it has no meaning for a continuous line).
- The color is 0 (refers to pen(0) in the G4 user/pmap file, which is a black color).
DrawBendAreaLine 0
- The edge line of the bend area is not drawn because the keyword value is 0.
