Lisää mitta, joka skaalaa luonnosta
Yleistä
- Toiminnon avulla voit lisätä uuden mitan, joka skaalaa koko luonnosta, vaikka luonnoksessa olisi jo etäisyys-, säde- ja halkaisijaehtoja.
- Skaalautuminen tapahtuu ohjelman mitoituksessa toteaman etäisyyden/säteen/halkaisijan ja syötetyn mittaluvun suhteessa.
- Jos luonnos on jo täysin määritelty ja haluat skaalata sitä, poista jokin nykyinen mitta
ja lisää sen tilalle uusi mitta toiminnolla Luonnos |
Pikamitoitus >
Skaalaava pikamitoitus.- Voit myös ensin lisätä skaalaavan mitan vanhan mitan rinnalle ja poistaa sen jälkeen mitoista toisen.
Lisää skaalaava pikamitta
- Valitse toiminto Luonnos |
Pikamitoitus > Skaalaava pikamitoitus. - Osoita mitoitettava elementti tai elementit.
- Viiva tai
- Kaksi yhdensuuntaista viivaa tai
- Ympyrä tai
- Kaari.
- Osoita mittaluvun paikka
- Ohjelma avaa keskusteluikkunan Muokkaa ehtoa, jossa on mitoitettavan elementin tämän hetkinen mitta.
Option
Toimii ehtona on oltava valittu.
- Syötä uusi mitta.
- Valitse OK.
- Ohjelma lisää mitan ja skaalaa sen jälkeen kaikkia mittoja
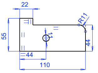
Esimerkki
Alla kuva luonnoksesta ennen toimintoa.

Alla kuva, kun mittaluvulle (100) on osoitettu paikka toiminnolla Luonnos |
Pikamitoitus >
Skaalaava pikamitoitus.

Alla kuva, kun mittaluvun 100 tilalle on syötetty mittaluku 110 ja on valittu OK.

