Muokkaa aukilevityksen viivoja
Sheet-Metal Design
Yleistä
- Ohutlevyn aukilevitykseen liittyvillä avainsanoilla voit muokata muun muassa viivojen ominaisuuksia sekä sitä piirretäänkö viiva tai ei.
- Esimerkiksi voit siirtää piirustuksesta vain aukilevityksen reunaviivat DXF-tiedostoon laserleikkuria varten.
- Asetusarvot löytyvät Ylläpitäjän näkymästä ryhmästä Bend.
Avainsanaryhmän yleiset parametrit noudattavat viivojen yleisiä parametrejä.
- Taso
- Viivaleveys
- Viivalaji
- Väli
- Väri
Säädä asetusarvoja
- Huomaa, että nämä asetusarvot vaikuttavat kaikissa työasemissa, jotka käyttävät samaa palvelinta, jonne Vertex G4 on asennettu.
- File >
Järjestelmäasetukset >
Muokkaa. - Valitse
Ylläpitäjän näkymä. - Valitse Järjestelmän asetukset > Bend.
- Valitse avainsana.
- Muuta arvoa.
- Valitse OK.
- Asetus tulee voimaan, kun käynnistät Vertex G4-ohjelman uudelleen.

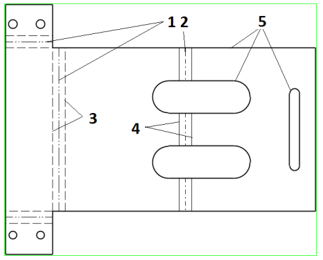
- Kuvassa olevat numerot viittaavat taulukossa esitettyihin viivoihin.
| Kuvassa numero | Avainsana | Vaikutusalue | Arvo |
| 5 | NormalGeomLine | Aukilevityksen reunaviivat | |
| 1 | BendLine | Taivutusviivat, kun taipuma suuntautuu kohti katsojaa | |
| 2 | BendLine2 | Taivutusviivat, kun taipuma suuntautuu katsojasta poispäin | |
| 3 | BendAreaLine | Taivutusalueen reunaviivat, kun taipuma suuntautuu kohti katsojaa | Jos haluat viivat piiloon, aseta: Taso = 110 |
| 4 | BendAreaLine2 | Taivutusalueen reunaviivat, kun taipuma suuntautuu katsojasta poispäin | |
| DrawBendAreaLine | Taivutusalueen reunaviivojen piirto | 0 = Ei piirretä (oletus)
1 = Piirretään |
|
| FormingFeatDown | Muotoilupiirteen geometriaviivat | Muovauspiirteen puoli näkyviin aukilevityspiirustukseen | |
| FormingFeatUp | Muotoilupiirteen geometriaviivat | Muovauspiirteen puoli näkyviin aukilevityspiirustukseen |
Esimerkit
Bendline 3 0.25 3 3 0
- Taivutusviiva piirretään tasolle 3.
- Viivan leveys on 0.25
- Viivalaji on 3 (Pistekatkoviiva).
- Väli on 3 (Väli ilmaiseen 2-ulotteisen viivan leveyttä, mutta sillä ei ole pistekatkoviivalle merkitystä).
- Väri on 0 (Viitaa G4:n user/pmap-tiedoston kynään pen(0), joka on musta väri.
BendAreaLine 3 0.25 1 3 0
- Taivutusviiva piirretään tasolle 3.
- Viivan leveys on 0.25
- Viivalaji on 1 (Yhtenäinen viiva).
- Väli on 3 (Väli ilmaiseen 2-ulotteisen viivan leveyttä, mutta sillä ei ole yhtenäiselle viivalle merkitystä).
- Väri on 0 (Viitaa G4:n user/pmap-tiedoston kynään pen(0), joka on musta väri.
DrawBendAreaLine 0
- Taivutusalueen reunaviivaa ei piirretä, koska asetusarvo on 0.
