Diameter
Dimension the diameter of the circle, and arc in the parallel projection. You can change the dimension properties before selecting the element to be dimensioned.

- Select Drawing | Dimensions |
Fast Dimensioning >
Diameter. - Select the dimension properties.
Dimension Properties (2D) - Select an arc or a circle.
- Select an auxiliary function from the right-click menu, if necessary:
- Select
if you want the dimension on the horizontal reference line
- Select
if you want the dimension on the dimension line.

- Select
- Click the position of the dimension. Depending on the location of the cursor, the dimension figure is added outside the circle horizontally or vertically.

- Select Confirm.
Note:
- You can choose whether to add the Ø character in front of the dimension figure:
- Select Drawing | Dimensions |
Fast Dimensioning >
Settings. - Select the Misc tab.
- Select or clear Ø sign only when needed.
- Select Drawing | Dimensions |
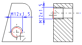
- You can dimension the diameter of a cylinder face by selecting the Fast Dimensioning function. Select the cylinder face in the projection between the silhouette lines.

- Dimension a thread by selecting the edge of the hole. The thread length is added as a base dimension.

