Lisää mitta, joka skaalaa luonnosta

Yleistä

  • Toiminnon avulla voit lisätä uuden mitan, joka skaalaa koko luonnosta, vaikka luonnoksessa olisi jo etäisyys-, säde- ja halkaisijaehtoja.
  • Skaalautuminen tapahtuu ohjelman mitoituksessa toteaman etäisyyden/säteen/halkaisijan ja syötetyn mittaluvun suhteessa.
  • Jos luonnos on jo täysin määritelty ja haluat skaalata sitä, poista jokin nykyinen mitta ja lisää sen tilalle uusi mitta toiminnolla Luonnos | Pikamitoitus > Skaalaava pikamitoitus.
    • Voit myös ensin lisätä skaalaavan mitan vanhan mitan rinnalle ja poistaa sen jälkeen mitoista toisen.

Lisää skaalaava pikamitta

  1. Valitse toiminto Luonnos | Pikamitoitus > Skaalaava pikamitoitus.
  2. Osoita mitoitettava elementti tai elementit.
    • Viiva tai
    • Kaksi yhdensuuntaista viivaa tai
    • Ympyrä tai
    • Kaari.
  3. Osoita mittaluvun paikka
    • Ohjelma avaa keskusteluikkunan Muokkaa ehtoa, jossa on mitoitettavan elementin tämän hetkinen mitta.
    • Option Toimii ehtona on oltava valittu.
  4. Syötä uusi mitta.
  5. Valitse OK.
    • Ohjelma lisää mitan ja skaalaa sen jälkeen kaikkia mittoja

Esimerkki

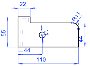
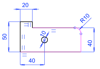
Alla kuva luonnoksesta ennen toimintoa.

Alla kuva, kun mittaluvulle (100) on osoitettu paikka toiminnolla Luonnos | Pikamitoitus > Skaalaava pikamitoitus.

Alla kuva, kun mittaluvun 100 tilalle on syötetty mittaluku 110 ja on valittu OK.