Prosessi- ja Instrumenttikaavioiden suunnittelu
Process and Instrument Design

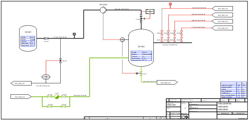
PI-kaavio suunnitellaan 2D-piirustuksessa, joka erikseen määritellään PI-kaavioksi. Kaaviotiedot ovat projektikohtaiset, ja listaukset tehdään suoraan projektitietokannasta.
- Linjan suunnittelussa ovat käytössä kaavioviiva, kaaviokaari, kaaviokäyrä, pyöristetty
kaavioviiva sekä signaaliviiva.
Kaavioviiva
Kaaviokaari - 3 kehäpistettä
Kaaviokäyrä
Pyöristetty kaavioviiva
Signaaliviiva - Kaavioviivan ominaisuudet piirustuksessa määräytyvät virtaavan aineen perusteella.
Esimerkiksi, jos valitset viivatyyliksi Vedet ja lauhteet, viiva piirretään vihreällä värillä.

Voit mitata kaavioviivan pisteiden yhteenlasketun etäisyyden.
Kaavioviivan pisteiden yhteenlaskettu etäisyys - Varusteet lisäät putkilinjalle. Sekä putkilinja että linjaan lisätyt varusteet sisältävät
tekniset tiedot.
Putkilinjoille ja varusteille haet positiot automaattisesti haluttujen suunnittelusääntöjen mukaisesti. Positiointi on projektikohtainen.
Putkilinja tunnistaa Mistä se alkaa ja Mihin se päättyy. Putkilinjan tiedot periytyvät myös linjalle lisätyille varusteille.
- Voit muokata kaaviota yleisillä elementin muokkaustoiminnoilla.
Tarvittaessa voit vaihtaa putkilinjan virtaavan aineen.
- Voit tuoda kaaviopiirustuksen muusta järjestelmästä tiedostona Vertexiin.
- PI-kaavion tietoja hyödynnetään 3D-suunnittelussa. Kaaviossa olevien putkilinjojen ja varusteiden suunnittelutieto voidaan viedä Vertex G4 Laitossuunnittelu -ohjelmistoon. Sekä PI että Plant voivat käyttää samoja tietokantoja.
G4 Plant - Prosessi- ja Instrumenttikaavion suunnittelu ilman PI-kaavio -optiota
- Malli-ikkunassa valitse Laitos> PI-kaaviot>, ja valitse seuraavista:
Putket
Varusteet
Instrumentit
Laitteet
Prosessilaitteet
Pumput
Puhaltimet
Säiliöt
Laitteet yhd
Valitut yhd
PI/Plant-vastinkoodien asetus
Päivitä tiedot PI-tietokannoista malliin
