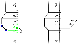
Siirrä mittaluku viiteviivalle
Voit siirtää mittaluvun viiteviivalle osoittamalla viiteviivan pisteet.

- Valitse mitta.
- Aktivoi mittaluvun kahva.
- Avaa tilannekohtainen valikko hiiren oikealla painikkeella.
- Valitse Lisää viiteviiva.
- Osoita viiteviivan pisteet.
- Valitse toiminto Valmis.
Voit muokata mitan viiteviivaa kahvoistaan.
