Muokkaa viistettä
- Valitse Piirtäminen | Viivatyökalut |
Räjäytä >
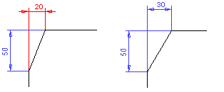
Muokkaa viistettä. - Osoita viisteen viiva.
- Määritä uudet mitat keskusteluikkunassa.
Viisteen tiedot - Valitse OK.
Muokkaa viisteen mittoja.

Huomaa:
- Ehtona toimivaa viisteen mittaa voit muuttaa myös siten, että kaksoisnapsauta mittaa, ja
anna uusi mitan arvo keskusteluikkunan Tekstin muokkaus -kenttään. Huomaa, että mitan
ominaisuutena on keskusteluikkunassa valittuna Toimii ehtona.

