Sketch Library
The sketches in the sketch library can be used to model several different models. Sketches that are frequently used to model parts or sheet-metal parts can be saved in the sketch library. Using an existing sketch will speed up the work and decrease the number of errors.
You can draw a sketch, define geometric constraints for it and save it in the sketch library. After this, the sketch can be opened from the sketch library when modeling a new part.
Positioning a Finished Sketch to a Part
You can add the new sketch, to the face, for example. The sketching mode is be activated, , and the face of the part is set as the sketching layer. Open an existing sketch from the sketch library.
Browse - Archives
Select the sketch from the image menu, and position the sketch from the zero point. Before selecting the position of the sketch, you can rotate it left or right. With the construction lines in the sketch you can fix a sketch to the axes of the sketching coordinate system. Finally, create the feature.

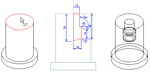
Creating a Sketch Library
The sketch library has existing sketch examples that have been divided into various directories. You can create new directories when saving sketches. In the library, you can save sketches that you frequently use to model parts or sheet-metal parts.
Saving a New Sketch in the Sketch Library
You can save a new sketch in the library when the sketching mode is active. After drawing the sketch and adding the necessary geometric constraints and their variable definitions, you can save the sketch by selecting the context-sensitive function Save Sketch. The Windows Save As dialog box will open. If necessary, create a new folder. Select the directory and name the sketch file.
Save a New Sketch in the Sketch Library
The image file of the sketch will be saved in the sketch library. When you want to use the finished sketch, select the sketch in the
Archive Browser
You can select library sketches from the Shared (user's library sketches) and System (software supplier's sketch library) directories. The Shared directory will be displayed in the browser after you have saved one of your own sketches in the library.
A sketch's geometry will be saved in a model file (extension .vxm) and image in an image file (extension .bmp). If you want later edit the geometry of the sketch, open the model from the sketch folder, make the necessary changes, and save the model again by the same file name.

