Edit Flattening Lines

Sheet-Metal Design

General

  • With the keywords related to the sheet metal flattening, you can modify the properties of the lines and whether the line is drawn or not.
  • For example you can transfer only the flattening's edge lines from a drawing to a DXF file for a laser cutter.
  • The keywords are in the Bend keyword group in the administrator’s view.

The general parameters of the keyword group follow the general parameters of lines.

  • Layer
  • Line Width
  • Line type
  • Scale
  • Color

Adjust the settings

  • Note that these settings apply to all workstations that use Vertex G4 on the same server .
  1. File > System Preferences > Edit.
  2. Select Administrator's View.
  3. Select Vertex Settings > Bend.
  4. Select a keyword.
  5. Change the value.
  6. Select OK.
    • The setting takes effect when you restart Vertex.
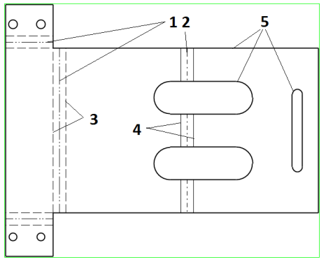
  • The numbers in the image refer to the lines shown in the table.

Number in picture Keyword Effect range Value
5 NormalGeomLine Flattening's edge lines  
1 BendLine Bending lines, if bending towards the viewer  
2 BendLine2 Bending lines, if bending away from the viewer  
3 BendAreaLine Bending area edge lines, if bending towards the viewer If you want to hide the lines, set: Layer = 110
4 BendAreaLine2 Bending area edge lines, if bending away from the viewer  
  DrawBendAreaLine Drawing of bending area edge lines 0 = Not displayed (default)

1 = Are displayed

  FormingFeatDown Shaping feature's geometry lines Display the Forming Feature Side in a Flattened Drawing
  FormingFeatUp Shaping feature's geometry lines Display the Forming Feature Side in a Flattened Drawing

Examples

Bendline 3 0.25 3 3 0
  • The bend line is drawn on layer 3.
  • The line width is 0.25
  • The line type is 3 (dot-dashed line).
  • The line gap is 3 (gap indicates the width of a 2-dimensional line, but it has no meaning for a dotted line).
  • The color is 0 (refers to pen(0) in the G4 user/pmap file, which is a black color).

BendAreaLine 3 0.25 1 3 0
  • The bend line is drawn on layer 3.
  • The line width is 0.25
  • The line font is 1 (continuous line).
  • The line gap is 3 (gap indicates the width of a 2-dimensional line, but it has no meaning for a continuous line).
  • The color is 0 (refers to pen(0) in the G4 user/pmap file, which is a black color).

DrawBendAreaLine 0

  • The edge line of the bend area is not drawn because the keyword value is 0.