Katkaise projektio
Yleistä
- Voit katkaista yhden tai useamman rinnakkain olevan projektion kerralla.
- Jos haluat katkaisun seuraavan malliin tehtyä muutosta, sido katkaisukohdat projektion pisteisiin ehtojen avulla. Mikäli katkaistua projektiota siirretään, myös piilossa olevat viivat on sidottava ehdoilla geometriaan.
- Osoita katkaisuviivat aina pareittain, viivojen väli poistetaan piirustuksesta. Voit tarvittaessa osoittaa katkaisuviivan myös projektion ulkopuolelta.
- Jos haluat muuttaa projektion katkaisukohtia, poista ensin aikaisempi katkaisu.
Katkaise mallin piirustuksen projektioita
- Valitse toiminto Piirustus | Työkalut
Projektio >
Katkaise projektio. - Osoita projektio tai vierekkäiset projektiot.
- Lopeta projektioiden osoittaminen.
- Paina hiiren keskinäppäintä tai
- Paina V-näppäintä tai
- Valitse tilannekohtainen toiminto
OK.
- Määritä katkaisukohdat X-akselin suunnassa pareittain.
- Osoita katkaisukohdat järjestyksessä vasemmalta oikealle tai oikealta vasemmalle.
- Voit osoittaa ensimmäisen katkaisukohdan myös projektion ulkopuolelta.
- Voit osoittaa viimeisen katkaisukohdan myös projektion ulkopuolelta.
- Lopeta tai ohita X-suuntaisten katkaisukohtien osoitus toiminnolla
Valmis.
- Paina hiiren keskinäppäintä tai
- Paina V-näppäintä tai
- Valitse tilannekohtainen toiminto
OK.
- Määritä katkaisukohdat Y-akselin suunnassa pareittain.
- Osoita katkaisukohdat järjestyksessä alhaalta ylös tai ylhäältä alas.
- Voit osoittaa ensimmäisen katkaisukohdan myös projektion ulkopuolelta.
- Voit osoittaa viimeisen katkaisukohdan myös projektion ulkopuolelta.
- Lopeta tai ohita Y-suuntaisten katkaisukohtien osoitus toiminnolla
Valmis.
- Paina hiiren keskinäppäintä tai
- Paina V-näppäintä tai
- Valitse tilannekohtainen toiminto
OK. - Ohjelma piirtää projektion katkaistuna.
- Peruuta projektion katkaisu tarvittaessa toiminnolla
Kumoa tai- Paina Ctrl Z.
Katkaise valitut projektiot
- Valitse yksi tai useampi katkaistava projektio.
- Projektioiden on oltava "rinnakkaisia" projektioita eli keskenään joko rinnakkain tai keskenään päällekkäin.
- Painan Ctrl-näppäintä, jos valitset useamman, kuin yhden projektion.
- Valitse toiminto Projektio | Muokkaa
Katkaise projektio tai- Valitse tilannekohtainen toiminto
Katkaise projektio.
- Valitse tilannekohtainen toiminto
- Jatka kuten edellä, kohdat 4...8.
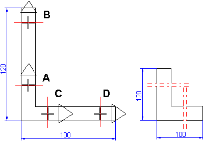
Esimerkki 1, katkaisu vaaka- ja pystysuunnassa
Samaan projektioon voit määrittää useamman kuin yhden katkaisun siten, että ensin määrität
yhden tai useamman katkaisun X-akselin suunnassa ja sen jälkeen Y-akselin suunnassa.
- Katkaistaan projektio kahdesta kohtaa: Ensin on osoitettu vaakasuuntaiset katkaisukohtat A ja B. Valmis-kuittauksen jälkeen on osoitettu pystysuuntaiset katkaisukohta C ja D.

Esimerkki 2, katkaisu pystysuunnassa
- Osoitetaan kaksi katkaisukohtaa X-akselin suuntaista katkaisukohtaa: katkaisukohta (A) ja sen jälkeen katkaisukohta (B).
- Pystysuuntaiset katkaisut ohitetaan Valmis-kuittauksella.

Esimerkki: Voit katkaista myös OpenGL-varjostetun tai visualisoidun projektion.

