Panel Drawing Views
Framer
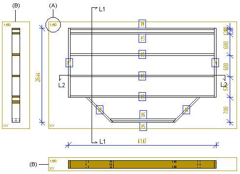
Floor, roof and wall panel drawings are created based on a template drawing in which the location and size of the views and schedules included in the panel drawing are defined. The size and default scale of the view (A) is set in a template drawing. The same scale is set as the scale of section views (B) related to the view.

