Pielilaudan parametrit
Architectural
Alla olevassa kuvassa on esitetty joitakin pielilaudan parametreja. Kuvan parametrit ovat pielilaudan varioituvia mittoja. Jotta pielilaudalle voidaan määrittää parametri, on pielilautakappaleelle ensin määritettävä samanniminen varioituva mitta.
| LENGTH | nimellismitta |
| WIDTH | leveys |
| DEPTH | paksuus |
Ala- tai yläreunan pielilaudat:
| OVL_LEFT | vasen ylitys |
| OVL_RIGHT | oikea ylitys |
Sivupielilaudat:
| OVL_SILL | alareunan ylitys |
| OVL_TOP | yläreunan ylitys (kuvassa 0) |
Varioituvaa LENGTH-mittaa määritettäessä on huomioitava nollapisteen sijainti. Nollapisteen tulisi sijaita erityyppisissä pielilaudoissa seuraavasti:
- oikea sivupielilauta - aukon oikea alakulma
- vasen sivupielilauta voidaan lisätä peilaamalla oikea sivupielilauta
- yläreunan pielilauta - aukon vasen yläkulma
- alareunan pielilauta - aukon vasen alakulma
LENGTH-mitta määritetään varioituvaksi siten, että kiinteä piste on nollapisteessä.
Jotta pielilaudan päätä voidaan muotoilla toiminnolla Sovita pielilaudan pää, on pielilaudalla oltava kulmaparametri:
![]() |
Ala- tai yläreunan pielilaudat ANG_L = vasen kulma ANG_R = oikea kulma Sivupielilaudat: ANG_T = yläreunan kulma ANG_S = alareunan kulma |
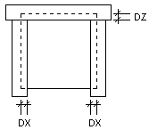
Lisäksi pielilaudalle voidaan määrittää parametri DX, DY tai DZ, joka määrittää sijoituspisteen etäisyyden aukon reunasta.


