Elementtikuvan näkymät
Framer
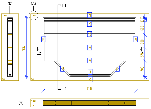
Lattia-, katto- tai seinäelementtikuvien pohjana käytetään tyyppikuvaa, johon on määritetty elementtikuvaan tulevien näkymien ja listausten sijainti ja koko arkilla. Näkymän (A) koko ja oletusmittakaava on asetettu tyyppikuvassa. Näkymään liittyvien leikkausnäkymien (B) mittakaavaksi asettuu sama mittakaava.

