Seinäelementtikuvassa esitettävät tiedot
Framer
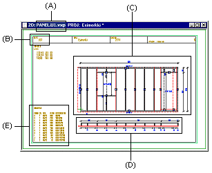
Seinäelementtikuvassa esitettävät osat ja niiden sommittelu arkilla vaihtelevat asiakaskohtaisesti. Tyypillisesti elementtikuvassa esitetään elementin runko, sisä- ja ulkopuolinen levytys sekä osaluettelo. Alla olevaan esimerkkikuvaan on merkitty:
- Piirustuksen nimi (A)
- Elementin tunnus (B)
- Edestä katsottu projektio (C)
- Leikkaus (D)
- Osaluettelo (E)

Elementtikuvan esitystä voidaan muuttaa valitsemalla sopivat tasot näkyviksi työkalunauhan
toiminnolla
Valitse tasot
listalta. Elementtikuvaan liittyviä tasoja ovat muun muassa:
- 16 Seinän runkoviivat - eristeet
- 151 Puutavara
- 155 Sisäpuolinen levytys
- 156 Ulkopuolinen levytys
- 162 Mitoitus
- 175 Profiilien väritäyttö
- 255 Runkotolppien nimellisviiva
Voit lisätä kuvaan esimerkiksi seuraavia merkintöjä:
