Adding an Opening Sheet Label to a Wall Panel Drawing
Framer
You can add the opening sheet label of a window or a door to a wall panel drawing. The format of the opening sheet label can be defined in the system settings with the keyword op_label_format, for example:
- op_label_format
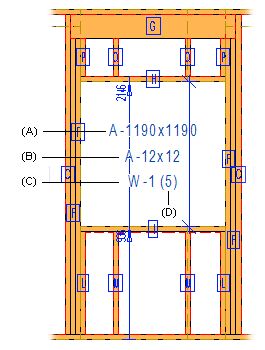
- "#CODE#|#IDLABEL# (#LABEL_IND#)"
#CODE# is the opening code in the library (A)
#LABEL# is the opening label in the library (B)
#IDLABEL# is the opening sheet label (C)
#LABEL_IND# is the label that identifies the opening sheet (D)
Adding a vertical bar will enter a line change in the panel drawing.

Note:
- Update the panel drawings, once you have added the opening sheet labels.
