Hip Trusses: Herring Bone Hip
Framer
This function can be used to create trusses at the ends of a hip roof so that the main hip trusses are triangular stepdown trusses. Triangular trusses are added to the sides. If trusses have already been added to the end, the program will remove the existing trusses from the area. After selecting the eave at the end, you can select the truss parameters in the dialog box.
Note: There must be a bearing structure at the end of the truss area. This may be either a ceiling selected as a lower limiting structure, or an end wall selected as a bearing wall.
- Select Modeling | Panel |
Truss
Hip Trusses
Herring Bone Hip. - Select the truss area by clicking one of the trusses in the area.
- Select the hip end.
- Select the truss parameters in a dialog box.
- Confirm by clicking OK.
- Select the next hip end.
Hip End Properties
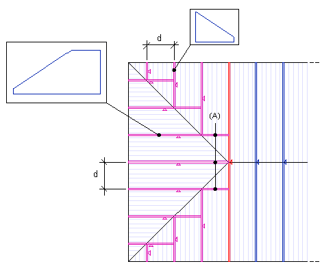
- Full end jacks
- Full end jacks (A) reach to the first primary truss. Type the number in the text field.
- Jack truss spacing
- Type the spacing (d) in the text field.

