Luonnoskirjasto
Luonnoskirjaston luonnoksia voidaan käyttää useiden eri mallien mallintamiseen. Luonnoskirjastoon tallennetaan yleisimmin käytettyjä luonnoksia, joita käytetään osan tai levyosan mallintamiseen. Valmiin luonnoksen käyttö nopeuttaa työskentelyä ja vähentää virheitä.
Voit piirtää luonnoksen, määrittää geometriset ehdot ja tallentaa luonnoksen luonnoskirjastoon. Tämän jälkeen luonnos on valittavissa luonnoskirjastosta uuden osan mallintamiseksi.
Valmiin luonnoksen sijoitus osaan
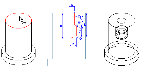
Voit lisätä uuden luonnoksen, esimerkiksi osan pintaan. Luonnostelutila aktivoituu, ja osan
pinta asettuu luonnostelutasoksi. Lue valmis luonnos luonnoskirjastosta.
Selaa - Arkisto
Valitse luonnos kuvavalikosta, ja sijoita luonnos nollapisteestään. Ennen luonnoksen paikan osoittamista voit kääntää luonnosta. Luonnoksessa on akselien suuntaiset apuviivat, joista voit sitoa luonnoksen luonnostelukoordinaatiston akseleihin. Muodosta lopuksi piirre.

Luonnoskirjaston luominen
Luonnoskirjastossa on valmiina esimerkkiluonnoksia, jotka on ryhmitelty kansioihin. Voit luoda uusia kansioita luonnoksen tallennuksen yhteydessä. Tallenna kirjastoon luonnoksia, joita käytät toistamiseen osan tai levyosan mallintamiseen.
Uuden luonnoksen tallennus kirjastoon
Voit tallentaa luonnoksen kirjastoon, kun luonnostelutila on aktiivinen. Kun olet piirtänyt luonnoksen, lisännyt kaikki tarpeelliset geometriset ehdot ja niiden muuttujamääritykset, tallenna luonnos tilannekohtaisella toiminnolla Tallenna luonnos. Avautuu Windowsin Save As -keskusteluikkuna. Luo tarvittaessa uusi kansio. Valitse kansio, ja nimeä luonnostiedosto.
Uuden luonnoksen tallennus kirjastoon
Luonnoksen kuvatiedosto tallentuu luonnoskirjastoon. Kun haluat käyttää valmista luonnosta,
valitse luonnos
Arkistoselaimessa
Kirjastoluonnos valitaan kansiosta Shared (omat kirjastoluonnokset) ja System (ohjelmistotoimittajan luonnoskirjasto). Shared-kansio näkyy selaimessa sen jälkeen, kun kirjastoon on tallennettu oma kirjastoluonnos.
Luonnoksen geometria tallentuu mallitiedostoon (.vxm-liite) ja kuva kuvatiedostoon (.bmp-liite). Jos haluat myöhemmin muokata luonnoksen geometriaa, lue malli luonnoskansiosta, tee tarvittavat muutokset, ja tallenna se uudelleen luonnoskirjastoon samalla tiedostonimellä.

