Add a Sketch Scaling Dimension
General
- The function allows you to add a new dimension that scales the entire sketch, even if the sketch already has distance, radius, and diameter constraints.
- Scaling takes place in relation to the distance/radius/diameter detected by the program in dimensioning and the entered dimension.
- If the sketch is already fully defined and you want to scale it, remove an existing dimension and add a new dimension in its place using the function Sketch |
Fast Dimensioning > Scaling Fast Dimensioning.- You can also first add a scaling dimension next to the old dimension and then remove the other dimension.
Add a scaling fast dimension
- Select the function Sketch |
Fast Dimensioning > Scaling Fast Dimensioning. - Select the element(s) you want to dimension.
- A line or
- Two parallel lines or
- A circle or
- An arc.
- Click a location for the dimension
- The program opens the dialog box Edit Constraint with the current dimension of the element to be dimensioned.
The option
Drives geometry must be selected.
- Enter a new dimension.
- Select OK.
- The program adds the dimension and then scales all dimensions
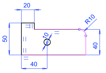
Example
Below is a sketch before the function.

Below is the image when the dimension (100) has been assigned a location with the function Sketch |
Fast Dimensioning > Scaling Fast Dimensioning.

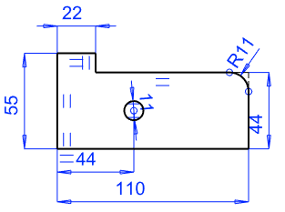
Below is the image when 110 is entered in place of dimension 100 and OK is selected .

