Attic Parameters
The roof parameter database contains predefined parameter sets. You can move from one row to another in the database using the cursor keys.
- User Guide
- This function opens a drawing that depicts the parameters of a roof with a truss structure. You can close the window in one of the following ways:
- Parameter Set Name
- A description text for the structure.
- Material Code
- You can select the roof material from the list.
- Pitch
- The pitch is typed in a text window either as a ratio or in degrees. The ratio can be typed either as the ratio of the height and width of the slope or as a decimal number, for example 1/4 or 0.25. If the pitch is typed in degrees, the numeric value is followed by the letter A, for example 45A.
- Eave Type, Fascia Height
- You can create different eaves by changing the parameters Eave type and Fascia height:
- Eave Height
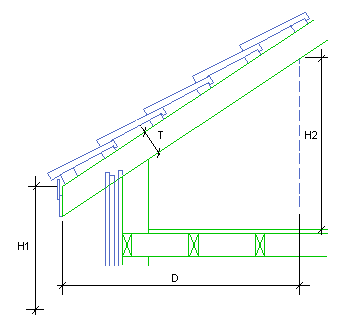
- The value of this parameter can be calculated with the Calculate button, when values have been selected for the Distance from eave to limit line, Top floor surface height, Room height on limit line and Roof thickness parameters.
- Distance from eave to limit line, Top floor surface height, Room height on limit line, Roof thickness
- Type values for these parameters in the text fields. These parameters are used to calculate a value for the Eave height parameter using the Calculate button.

