Kattokaavion avaus
Architectural, Framer
Kattokaaviossa esitetään kaikki rakennusmallissa olevat kattolappeet. Kattokaavio avautuu erilliseen piirustusikkunaan.
- Valitse kattolappeille yksityiskohtainen esitystapa toiminnolla Laajenna rakennekerrokset, jolloin ohjelma pystyy lukemaan ruoteiden vasoitusominaisuudet oikeasta rakennekerroksesta.
- Kun luot kattokaavion ensimmäisen kerran, valitse Tulosteet | Tilauskaaviot |
Kattokaavio. Myöhemmin voit avata kattokaavion samalla toiminnolla, tai valita toiminnon
rakennuksen dokumenttiselaimesta:- Vie kohdistin otsikon Arkkitehtidokumentit / Kattokaaviot kohdalle.
- Avaa tilannekohtainen valikko hiiren oikealla painikkeella.
- Valitse
Kattokaavio.
- Jos olet jo aiemmin luonut rakennuksen kattokaavion, saat kysymyksen "Kuva on jo luotu,
generoidaanko uusi?" Tee jompikumpi seuraavista:
- Jos haluat avata aiemmin luomasi kattokaavion, valitse Ei.
- Jos haluat luoda uuden kattokaavion, valitse Kyllä.
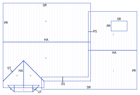
Lappeet esitetään päältä katsotussa projektiossa. Ohjelma numeroi kattolappeet ja lisää kattokaavioon erilaiset räystäsmakrot automaattisesti. Alla olevassa kuvassa on esimerkkejä räystäsmakroista.

- SR = Sivuräystäs
- PR = Päätyräystäs
- HA = Harja
- ST = Sisätaite
- UT = Ulkotaite
- SS = Räystäs sivuseinää vasten
- PS = Räystäs päätyseinää vasten
Räystäsmakrojen avulla ohjelma kerää tiedon katon räystäs- ja harjapituuksista sekä materiaalimenekistä, kun myöhemmin keräät rakennuksen materiaalit.
Huomaa:
- Monimuotoisissa katoissa voit tarvittaessa poistaa ohjelman automaattisesti lisäämiä räystäsmakroja ja lisätä uusia toiminnolla Yksittäisen räystäsmakron lisäys.
- Kun olet avannut kattokaavion, lisää lappeille kateorigot, jotka määräävät, mistä lappeen pelti- tai tiilijako aloitetaan.
- Voit lisätä kattokaavioon sivu- ja päätyräystäiden mitat toiminnolla Katon jiirien ja räystäiden tarkistus.
